Alex's homemade balancing equipment | Rod Neff's balancing stand | BMW wheel adapters | Commercial stands | Twin-shock| Pocket wheel balancers | Joe Dille's balancer | Wheel weights | Links
by
Uprights: 1" x 2" x 16"
Base: 1/8" x 12" x 12" mild steel plate, 2" on two opposite sides bent down about 30 degrees.
Bearings: dust seals removed and grease washed out to reduce drag. Thin sewing machine oil may be applied - I run them dry since I'm not spinning the wheel.
The balancer uprights are long enough to accept a 21" wheel with a tall tire installed. The stand can also be used for wheel lacing with a simple modification.
NOTE: front wheel bearings will not accept a 1" shaft and the front axle won't work because of its design (one side thicker than the other). A 1" shaft must be turned down to 0.970".
The ball bearings that I used have a 17 mm OD (I think) and a hole that accepts a 7 mm bolt. You can get larger diameter bearings, but then the bolt hole also increases which is not what I wanted. I may be able to supply the bearing numbers if I still have the dust seals.
You also have to file away at the uprights between the bearing pair so that the shaft can clear the uprights. I placed the bearings on the uprights and then scribed a line around then. You'll have to be patient with a file or you can also use a Dremel and grinding stone.
Of course, the stand could be glass beaded and then painted for appearance. I'll do that after I get the wheel lacing mod done since I have to drill some more holes and possibly weld as well.




Balance3 shows one upright with a pair of bearings mounted. I don't have the bearing number, but the OD is 0.860", the ID accepts a 7 x 1.00 mm bolt nicely (so about 0.280" or a bit more) and the width measures in at 0.275".
"Balance4 shows both uprights with two pairs of bearings bounted. Although not necessary, the bearing mounting holes were drilled through both sides of the uprights as can be seen. The areas between the bearings were shaped to enable the axle rod to rotate freely.
"Balance5 shows a single bearing mounted to an upright with a washer used as a spacer to enable the outer bearing race to rotate freely.
You also have to file away at the uprights between the bearing pair so that the shaft can clear the uprights. I placed the bearings on the uprights and then scribed a line around then. You'll have to be patient with a file or you can also use a Dremel and grinding stone."
Rear wheel adapter (for wheel balancing and lacing purposes)
Application: 1990 BMW R100 GS and other models with an identical rear wheel.
(who sells balancing stands of his own) wrote:
"ABEC-3 rollerblade/skateboard bearings work fine. Available at your local sporting goods store for around $2 apiece. They have a 5/16" center hole, so they mount this size of rod. There are various ways to mount these bearing, this shows best what I came up with."
Here is a photo off Rod's adjustable wheel balancing stand.

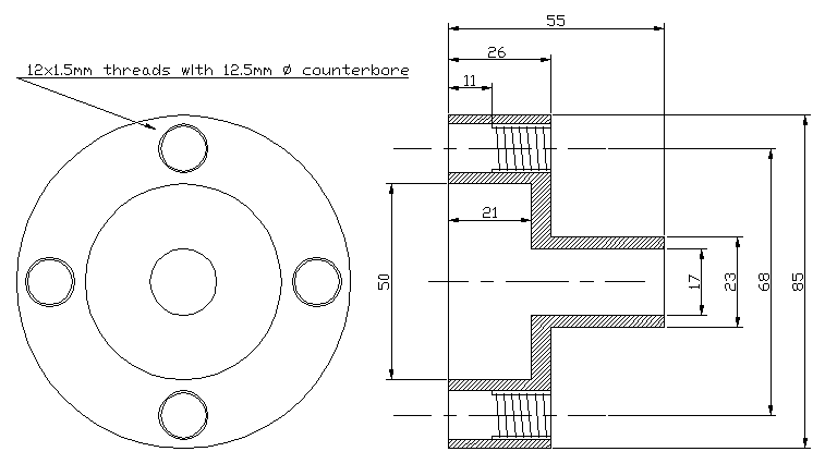
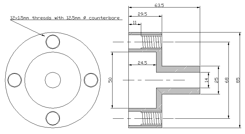
There are two 4-hole BMW adapters available. The first uses a 17mm center axle and was designed for the 4-bolt rims. The updated version (which accommodates 5-bolt rear wheels) has a thinner axle to clear the smaller center hole in the rims, and also is wider to accommodate the larger offset that these rims have. The updated adapter (36 3 618) is suitable for all four-bolt and five-bolt rims. Click the images for larger versions.

BMW wheel adapter 36 3 613 for 4-bolt wheels

BMW wheel adapter 36 3 618 for 5-bolt rims


Marc Parnes makes balance adapters for a number of bikes including the twin-shock Airheads. These are a problem because there is a floating bearing race inside the hub that neds to be kept in place in order to accurately center the wheel. You can take the "top hats" out of the dust seals and use a regular balancer, but it's a lot easier to use cones that reach through and grab the bearings the right way.

http://www.marcparnes.com/BMW_Motorcycle_Wheel_Balancer.htm
Marc also sells adapters for other BMW wheels, such as the basic Monolever/Paralever wheel and the 5-bolt Evo Paralever wheel used on the new R1200 and K1200 bikes.
These are made of aluminum plates with a 1" hole in the middle and two bearings. Dimensions will be forthcoming but the concept is very simple. The hole has to accommodate the large end of the front axle while not allowing the 14mm rod (used for some rear wheels) to bottom out. The PWBs hang about eight inches apart (from a beam, tied together and thrown over a tree limb, whatever), suspending the wheel the same way that Rod's pictures show. Washers are used beneath the bearings to keep the outer races from rubbing on the base. The dust seals could be removed for decreased friction but since these are designed to be carried on the road, the seals are left in place. Since the height of each one can be independently set, they can be used with the asymetrical front axle.
More information on this is available on the IBMWR tech pages.

This hangs the wheel horizontally, with the pivot just above the CG of the wheel. Slight imbalances cause the wheel to rock one way or another, and the indicator button shows which way the wheel is imbalanced.
According to Joe's calculations, this will generally get within about 1/4 gram. Specifically, the weight correction needed should be:
w = (WW*d*r)/(R*D) where:

These are available from a lot of places as flat strips that are marked and cut to the needed length. Don't bother with most of these; any of them with white adhesive backing are more trouble than they're worth. The white backing shreds when you remove the weight and if you don't clean the residue off promptly it will attack the clearcoat. For this reason I now only use BMW weights which have a black rubber adhesive backing which will peel off the rim. They are $3 to $4 each.
36 31 7 720 635 5g
36 31 7 720 636 10g
36 31 7 720 637 15g
36 31 7 720 638 20g
36 31 7 720 639 25g
36 31 7 720 640 30g
For details on actual tire-changing procedures, read http://www.clarity.net/~adam/tire-changing.html
Other repair links:
https://www.webbikeworld.com/motorcycle-tires - lots of links
http://www.specii.com/shop.html#wheel
IBMWR - Pocket Wheel Balancer description
https://www.stopngo.com - plug kit